
电流互感器(CT)在电力系统中,广泛应用于一次测量与控制。正常工作时,电流互感器二次侧处于近似短路状态,输出电压很低。在运行中如果二次绕组开路,或一次绕组流过异常电流(如雷电流、谐振过电流、电容充电电流、电感启动电流等),都会在二次侧产生数千伏甚至上万伏的过电压。这不仅给二次系统绝缘造成危害,还会使互感器过激而烧损,甚至危及工作人员的生命安全。使用VCTB700系列电流互感器过电压保护器就能够有效的防止因电流互感器二次开路引起的事故。
|
|

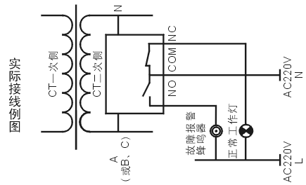
VCTB700 保护器主要用于各种 CT 二次侧的异常过电压保护。保护器接于二次绕组两端,正常运行时漏电极小,成高阻状态。当发生异常过电压时,保护器迅速动作而短路,面板上显示故障的部位,并有无源信号输出。当故障排除后,电路恢复原状后,又重新投入正常运行工作。
VCTB700 保护器应用于 CT 二次侧的差动绕组、过流绕组、测量绕组、母线保护绕组、备用绕组等。 |